• Design Principles
    of a DRAIG Energy Centre

  • Custom Designed to suit
    Developing Countries

  • Unique Design that sets
    modern standards

Draig Energy Centre

Each DRAIG Energy Centre is a state of the art facility, laid out with drainage, a road system, pavements, street lights, lightning conductors. Landscaped with chipping areas and decorative bushes and green shrubbery.

These are fully designed to make the power station an attractive place to work. There will be a canteen with pleasant seating areas for tea breaks and other meal times. Ablution buildings to allow male and female facilities such as locker rooms, toilets and showers.

Maintenance buildings allow for full operational electrical, mechanical and electronic electrical workshops and standby storage items, such as recommended stores, mild steel plates and copper wire and components. A fuel depot will be constructed for daylight shift opertion only which will turn biomass into biofuel in a complicated process. The drying process, yields large quantities of fresh water (12tonnes/hour), that is 12,000 litres per hour per 50MWe power module.

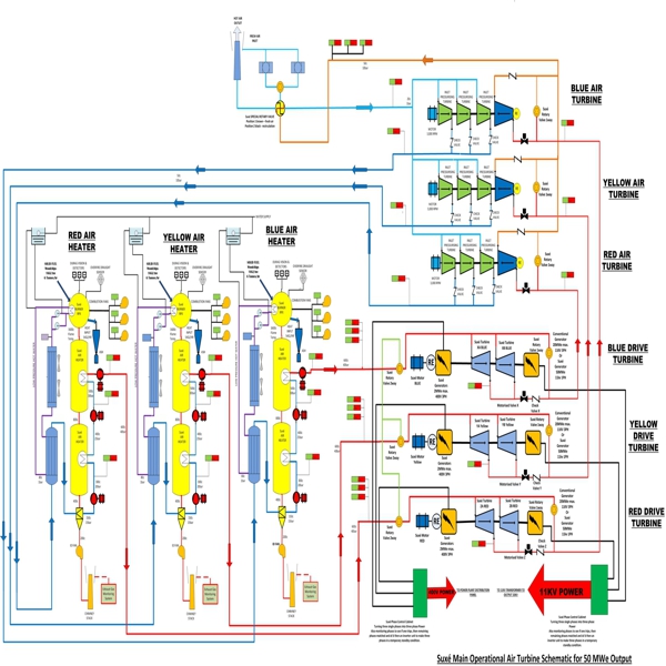
Control Room

The control room is a 'State-of-the-art' facility with large screen monitor displays (60inch) showing critical operations, video feeds of the combustion, chimney data and all possible operational information such as power developed and MWe exported, resulting in money earned. The overall site should be clean and tidy and a pleasant place to work. The control system is computer software based and enables three scada large screen monitors and two smaller monitors, to display all available sub-section screens and video streams from many safety critical areas.

One such control room can process the entire power station of any size up to 600MWe.

Also remote access by DRAIG Engineers is possible for unusual support situations, otherwise regular inspection is authorised.

Chimney exhaust regulation and power generation rating and billing are all examples of data collection.

Dedicated Support

DRAIG operations take over the running of the plant from the commissioning team.

They train the local employees until they are certified to DRAIG standards.

At this stage fuel production is tested, the power production program started and several training scenarios are carried out with the power station isolated.

Then tests are carried out to put power onto the grid system.

Such dedicated support teams are used until the local teams can take over, leaving the top management in place to run the power station for up to five years, thus ensuring that the investment companies are repaid as agreed.

IMAGES

DRAIG

Make DRAIG your development partner

Draig can completely support your Power projects by
providing Ultra Flexibility, Increased Power Generation and Top quality design

Find out how
service
The Multi-fuel power station

DRAIG's Power Stations can work on almost any fuel! Solid fuels such as Coal or Anthracite, Biomass such as Wood Bamboo or Bagasse, Biofuels such as pelletised Wood or Bamboo even Waste Derived Fuel, all can be burnt with NEAR ZERO emissions.

2023

Nothing is impossible for DRAIG Engineers, Highly Flexible, always growing

Information

STANDARD REPEATABLE DESIGN

We never stop improving

Endless R&D

Comments

Nothing is impossible for Draig Engineers,
They are at the forefront of Technology

Important Information

About us

DRAIG have been providing combustion equipment and burner solutions across the World since 1951. The basic principles have remained the same whilst the designs have been modernised to deal with 21st Century fuel source requirements. Modern solutions to modern problems.

  • Perfect Design for Africa and the World
  • Huge Community Benefits
  • Enhanced job opportunities for community members

Growing Bamboo around each power station can provide hundreds of new employment opportunities in each area.

Our Partners